Lisa's Column

Logic Gates: The Fundamental Building Blocks of Digital Electronics

Logic Gates: The Fundamental Building Blocks of Digital Electronics

In the realm of digital electronics, every complex system—from the smartphone in your pocket to the supercomputers powering scientific research—re...

ADIS16448 vs. MPU6050: Drone Flight Comparison Test

ADIS16448 vs. MPU6050: Drone Flight Comparison Test

There is a fantastic, in-depth comparison test between these two very different IMUs. The results clearly show why sensor quality is the bedrock of...

ADIS16488 Sensor Module Driver: In-Depth Analysis and Practical Implementation

ADIS16488 Sensor Module Driver: In-Depth Analysis and Practical Implementation

This high-precision tactical-grade IMU from Analog Devices requires careful driver development to fully leverage its capabilities. ADIS16488 Sensor...

Application Scenarios of the IMU 16488

Application Scenarios of the IMU 16488

IMU 16488 (typically ADIS16488 from Analog Devices, a tactical‑grade 10‑axis MEMS IMU) is widely used in high‑precision motion sensing, navigation,...

ADIS16488BMLZ: Integrated 10DOF IMU Enabling High-Precision and High-Reliability Navigation Systems

ADIS16488BMLZ: Integrated 10DOF IMU Enabling High-Precision and High-Reliability Navigation Systems

The ADIS16488BMLZ from Analog Devices is a top-tier, tactical-grade Inertial Measurement Unit (IMU) that truly lives up to the description of enabl...

PCBA Rework and Repair Techniques

PCBA Rework and Repair Techniques

PCBA (Printed Circuit Board Assembly) rework and repair are essential skills in electronics manufacturing and maintenance. Here's a comprehensive g...

13 Common PCB Problems & How to Fix Them in Altium

13 Common PCB Problems & How to Fix Them in Altium

Here’s a practical guide to 13 common PCB problems in Altium Designer and how to fix them, covering design, layout, and manufacturing issues: 1. U...

How to protect your circuit design from being copied ?

How to protect your circuit design from being copied ?

Protecting your circuit design from being copied is a critical concern for engineers and companies. Here's a comprehensive approach combining legal...

Why STM32CubeIDE is so important for pin mapping when you working with STM32 microcontrollers

Why STM32CubeIDE is so important for pin mapping when you working with STM32 microcontrollers

STM32CubeIDE is critically important for pin mapping when working with STM32 microcontrollers because it streamlines and automates what would other...

8 common IC chip cracking principles for single chip decryption methods

8 common IC chip cracking principles for single chip decryption methods

Single-chip decryption (also known as "IC cracking" or "chip reverse engineering") involves technical means to bypass or break the security protect...

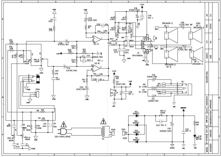
Help understanding an amplifier's circuit diagram

Help understanding an amplifier's circuit diagram

Understanding an amplifier’s circuit diagram requires breaking down its core components, signal flow, and functional blocks—regardless of whether i...

How to Check a Zener Diode's Voltage ?

How to Check a Zener Diode's Voltage ?

To verify a Zener diode's breakdown voltage (Vz), you can perform a simple test circuit using a power supply, resistor, and multimeter. Here’s a st...