Licky's Column

USB type C Circuit path diagram

USB type C Circuit path diagram

Here is the circuit path diagram and related pin description of USB Type - C3: Pin Name Description A1 GND Ground A2 SSTXp1 SuperSpeed d...

How does a mechanical clock keep accurate time?

How does a mechanical clock keep accurate time?

A mechanical clock keeps accurate time through the following key components and principles: Escapement mechanism: This is the core component for...

Welding effect at different temperatures

Welding effect at different temperatures

The welding effect is significantly influenced by temperature. Here's a look at how different temperatures affect the welding process and the resul...

Understanding Different Types of Filters in Electronics

Understanding Different Types of Filters in Electronics

In electronics, filters are essential components that are used to selectively pass or block certain frequencies of an electrical signal. Here is an...

What problems will PCB encounter during the mounting process?

What problems will PCB encounter during the mounting process?

Here are the common problems encountered during PCB (Printed Circuit Board) mounting, along with their causes and solutions: 1. Solder Joint Issues...

Rf transceiver remote control circuit

Rf transceiver remote control circuit

1. Basic Working Principle Transmission End The user operates the remote - control buttons. Each button press corresponds to a specific digital...

STM32 vs STC32

STM32 vs STC32

STM32 vs STC32 Here's a comparison between STM32 and STC32 microcontrollers: 1. Manufacturer STM32: Developed by STMicroelectronics, a global ...

Types of Transistor

Types of Transistor

Bipolar Junction Transistor (BJT) Structure: It consists of three regions - emitter, base, and collector. There are two types of BJTs:...

How does a thyristor work?

How does a thyristor work?

A thyristor is a four-layer semiconductor device with alternating p-type and n-type materials, usually having three electrodes: an anode, a cathode...

Electromagnetic interference phenomena inside the circuit

Electromagnetic interference phenomena inside the circuit

Electromagnetic Interference (EMI) Phenomena Inside the Circuit Electromagnetic interference within a circuit refers to the unwanted electromagnet...

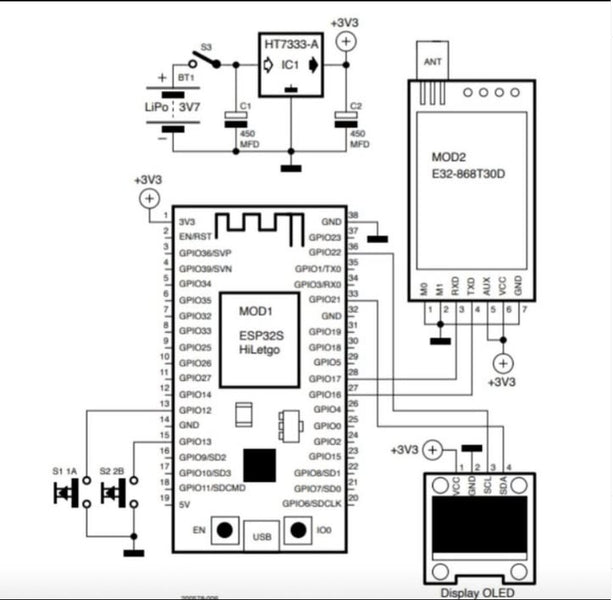
Two STM32 micro-controllers are exchanging data witlessly over LoRa using E22900T22D module that is interfaced over UART.

Two STM32 micro-controllers are exchanging data witlessly over LoRa using E22900T22D module that is interfaced over UART.

1. Components Involved STM32 Micro-controllers:STM32 microcontrollers are a popular family of microcontrollers developed by STMicroelectronics....

How to perform fly-wire repair?

How to perform fly-wire repair?

Tools and Materials Needed Soldering Iron: A fine - tip soldering iron with adjustable temperature settings is ideal. Solder: Use a high - qua...