What is it and why use the WIFI ESP8266 Relay Board?
We developed this board for you to create any automation application with Wifi control.
See the main features of this electronic board.
- Power circuit with AC-DC converter,
- Electrical surge protection circuit,
- Relay activated via optocoupler,
- Circuit for isolated supply to the relay,
- Jumper to isolate the circuit supplies, and
- Buttons and connectors to configure the board for recording and reset mode.
All these electronic resources allow you to develop any application freely and independently.
Remember, devices on the market are protected technologies and do not allow changes.
You can easily create the control logic, created based on your needs and board the ESP8266 from the electronic board.
Do you believe you can advance the automation market and create your own standalone solutions in the future?
Now we will present the complete operation of the electronic circuit of this board.
How does the electronic board structure work?
Below we have the electronic schematic. Next, we will discuss each block of the project. You will be able to understand it and change it to create new solutions from it.

Power Circuit
Figure 3 shows the electronic schematic of the power supply circuit. The electronic board can be powered with an AC voltage between 100VAC and 240VAC.
Figure 3 - Power Circuit
You must connect the wires to the screw terminal. In this circuit we have 2 elements for protection against voltage and current surges: the varistor and a fuse.
See the elements in the figure 4.

The HiLink AC/DC converter, which supplies a voltage of 5V/3W to power the ESP8266's control circuit. See the figure 5.
The HiLink AC/DC converter, which supplies a voltage of 5V/3W to power the ESP8266's control circuit. See the figure 5.

Don't use the voltage value of 5V to power the ESP8266. Use a a 3V3 voltage regulator. Below we have the circuit responsible for supplying the +3V3 voltage to the ESP8266.

The circuit above have an AMS1117 IC and two capacitors. handles for receiving the input voltage of +5V and regulating it to a voltage level of +3V3.
The figure 7 shows the IC on the printed circuit board.

Now, we will introduce the ESP8266 CHIP circuit block.
ESP8266 Electronic Circuit
ESP8266 needs a small circuit to ensure your application works. The figure below shows the working circuit.

Do not forget any electronic components. All are essential to ensure the functioning of your project.
Also to this circuit block, we have the other one with buttons and terminals for code transfer.
Do not forget any electronic components. All are essential to ensure the functioning of your project. Also to this circuit block, we have the other one with buttons and terminals for code transfer.

Use these two buttons are for two following functions: reset the ESP8266 application and put it in programming mode.
The code is transferred from the computer to the ESP8266 via the JP2 connector terminals.
There are 4 pins: 2 for power (+3V3 and GND) and 2 for data transfer and reception (TXD and RXD). The figure below shows the region of the board with the S1 and S2 buttons, as well as the ESP8266 and the programming connector.

Now, let's talk about the relay triggering circuit. Here we will address a novelty that we brought to this board. See what's new in the next topic.
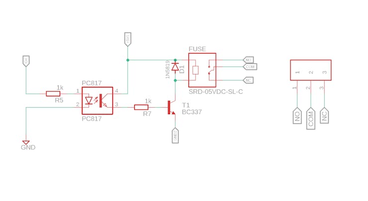
Driving Circuit of Relay
The circuit diagram below is have an optocoupler, a flyback diode, relay and the load connection terminal. Now, let's talk about a very important part of this circuit.

In this project we used a PC817: an optocoupler IC. It is used to provide isolation between the control circuit and the relay drive circuit.
This prevents you from using the same power supply as the ESP8266 and having noise interference coming from the relay circuit.
This way we have complete isolation between the 2 circuits. How is the relay powered? Power is supplied through a battery connected to the Jack connector. See it in the figure below.

See the circuit diagram in Figure 13. We have the Jack connector and the regulator.

The input voltage is from 7V to 12V. This voltage will be regulated by the AMS1117-5V IC.
The relay is powered by this voltage. Also, we have a jumper in the circuit. It is used to connect the +5V voltage of the Hilink source to trigger the relay coil.
But it is necessary to remember that in this case, we do not have source isolation between the control and activation circuits of the relay
These are all parts of our WiFi ESP8266 Printed Circuit Board.
